Ürün Açıklaması
3D kesici kafasında beş eksen, 3 doğrusal ve 2 dönme vardır. 2D (düz) kesim işlevselliğini kaybetmeden hem saf 3D kesim hem de 2D 1/2 kesim (eğimle düz kesim) için tasarlanmıştır. Tasarım özellikleri harika iş olanakları sunar. Özellikle, çalışma sürelerinde bir azalma ve kesme kalitesini azaltma riski daha düşük bir azalma ile geri sarma ihtiyacını önleyen C eksenideki sonsuz rotasyonu. C ekseninin dönen çerçevesinde, yükseklik ayarı ve çarpışma önleme kontrol modülünü bağlamak mümkündür .
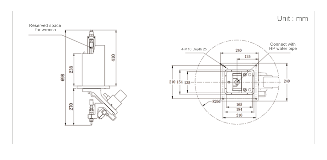
Montaj boyutu

Spesifikasyon parametreleri
| Öğe | Spesifikasyon |
İsim | AC tipi beş eksenli su jeti kesme kafası |
| Dimensions | 386 × 222 × 698mm |
| Döner yarıçap | 266mm |
| A eksenli dönme açısı | ± 70 °/16 ° ~ -196 ° |
| C ekseni döndürme açısı | Sınırsız (veya ± 540 °) |
| Sabit noktada kesme hassasiyeti | ± 0.05mm |
| Ağırlık | 29kg |
Başvuru
5 Eksen su jeti kesme faydaları:
Yüksek mekanizma sertliği ve küçük termal deformasyon.
• Mükemmel kesme etkisi: Düzensiz şekillerin veya ardışık keskin açıların keskin açılarını işleme sırasında köşelerde nokta kalmaz.
• Yüksek işleme verimliliği: C ekseni sınırsız ve hızlı dönebilir ve işleme verimliliğini artırabilir.
• Üç boyutlu kesim: 3D kesme fonksiyonu ile silindirik ve kavisli parçalar üzerinde mozaik kesim için kullanılır.
• Geniş işleme aralığı: Silindirik parke, büyük pah, otomobil parçalarının işlenmesi, metal işleme, metal olmayan kompozit malzeme kesimini elde edebilir.

Kesme örneği



